 |
Голосование |
| |
|
Мы рады видеть Вас на страницах Пассат-Клуб!
Здесь Вас ждет непрерывное общение, форум,
встречи клуба, скидки от партнеров клуба,
и просто теплое общение в кругу друзей.
Все это — Passat-Club!
|
 |
| |
|
| |
Инструкции
| |
Замечание: Масляный насос заменяется только целиком и ремонту не подлежит.
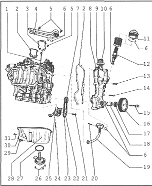
1 Компоненты системы смазки двигателя указаны на иллюстрации 17.1.
.png)
17.1 Компоненты системы смазки двигателя
1 Щуп уровня масла
2 Прокладка* маслоохладителя
3 Маслоохладитель
4 Трубки маслоохладителя
5 Болты (8 Нм)
6 Уплотнительное кольцо*
7 Звездочка привода масляного насоса
8 Крышка цепи
9 Прокладка крышки 10
10 Крышка маслозаливной горловины
11 Крышка масляного фильтра (25 Нм) с перепускным клапаном (2.5 атм)
12 Клапан
13, 14, 20, 26 Болты (10 Нм)
15* Болт крепления шкива 16
16 Шкив коленчатого вала
17 Передний сальник*
18 Втулка подшипника
19 Клапан регулировки давления, с сапуном
21 Болт (10 Нм + 90°)
22 Звездочка масляного насоса
23 Цепь привода масляного насоса
24 Болт (25 Нм)
25 Масляный насос, заменяется только в сборе
27 Датчик уровня и температуры двигательного масла
28 Поддон картера
29 Сливная пробка* (30 Нм), с уплотнением 30 Болты (13 Нм)
31 Болты (45 Нм)
* Подлежит обязательнойзамене
2 Снимите поддон картера двигателя (см. Раздел 17).
3 Удерживая звездочку масляного насоса приспособлением Т10172, ослабьте болт ее крепления (но не выворачивайте полностью).
.png)
18.3 Выворачивание болта крепления звездочки масляного насоса
4 Отожмите отверткой натяжитель цепи в направлении, указанном стрелкой (см. сопр. иллюстрацию), полностью выверните болт крепления звездочки и снимите ее с насоса и цепи.

18.4 Снятие цепи и звездочки масляного насоса
5 Выверните болты крепления масляного насоса и снимите его с блока цилиндров.

18.5 Болты крепления масляного насоса
6 Установите насос на блок цилиндров и затяните болты его крепления с усилием 25 Нм.
7 Отожмите отверткой натяжитель цепи в направлении, указанном стрелкой (см. иллюстрацию 18.4), установите звездочку масляного насоса на цепь и наденьте ее на насос (обратите внимание на лыску на валу насоса).
8 Удерживая звездочку от проворачивания, затяните болт ее крепления с усилием 20 Нм, а затем дотяните его на угол 90°.
9 Установите поддон картера (см. Раздел 17). |
|
|
 |
|
 |
| |
 |
|
 |