 |
Голосование |
| |
|
Мы рады видеть Вас на страницах Пассат-Клуб!
Здесь Вас ждет непрерывное общение, форум,
встречи клуба, скидки от партнеров клуба,
и просто теплое общение в кругу друзей.
Все это — Passat-Club!
|
 |
| |
|
| |
Инструкции
| |
Замечание: Задний сальник является частью фланца и заменяется только вместе с фланцем.
1 Для снятия сальников используют ся специальные съемники. Кроме того, сальник можно снять, разрезав его по всей длине окружности на две части, но при этом следует быть осторожным и не повредить посадочную поверхность в блоке цилиндров.
2 Для напрессовывания сальника в блок цилиндров используются специальные проставки, либо отрезки труб подходящего диаметра. Следите за правильностью ориентации сальника при его установке.
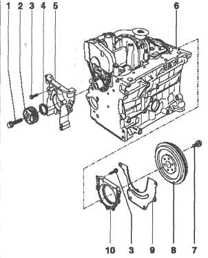
3 На сопр. иллюстрации приведены компоненты установки маховика/приводного диска и сальников коленчатого вала.

26.3 Компоненты установки маховика/приводного диска
1 Болт (90 Нм + 90°)
2 Зубчатое колесо коленчатого вала
3 Болт* (15 Нм)
4 Передний сальник*
5 Фланец
6 Блок цилиндров
7 Болт* (60 Нм + 90°)
8 Маховик/приводной диск
9 Промежуточная пластина
10 Фланец с сальником, заменяется только в сборе
* Подлежит обязательной замене
4 Для снятия маховик/приводного диска снимите с двигателя трансмиссию (см. Главу 6 или 7).
5 Для снятия маховика проверните его так, чтобы болты (В на сопр. иллюстрации) его крепления были доступны через отверстия (стрелки).

26.5 Болты крепления маховика
6 Выверните болты, удерживая маховик от проворачивания специальным приспособлением (см. сопр. иллюстрацию)

26.6 Удерживание маховика
и снимите маховик, предварительно нанеся на него и на блок цилиндров установочные метки (чтобы затем установить маховик в прежнее положение).
7 При отдавании/затягивании крепежа приводного диска также следует использовать приспособление VW 558 для его фиксации (см. сопр. иллюс трацию).

26.7 Удерживание приводного вала при отдавании (А) или затягивании (В) его крепежа
8 Ниже приводится описание процедуры установки приводного диска.
9 Наденьте приводной диск на вал при помощи уплотнительной пластины (1 на сопр. иллюстрации)

26.9 Компоненты установки маховика
с выреза ми и затяните новые болты крепления приводного диска с усилием 30 Нм.
10 Проверьте расстояние а от (см. сопр. иллюстрацию)

26.10 Установочный размер приводного диска
в трех точках и вычислите его среднюю величину - она должна находится в пределах от 19.5 до 21.1 мм. В противном случае снова снимите приводной диск и установите прокладку (2 на иллюстрации 26.9).
11 Когда установочное расстояние будет удовлетворять приведенным выше требованиям, затяните болты с усилием 60 Нм, а затем дотяните их еще на угол 90° |
|
|
 |
|
 |
| |
 |
|
 |