 |
Голосование |
| |
|
На геодезические работы цены указаны на сайте компании Бересвек. . Производство блочно-маодульных котельных. Доставка и монтаж под ключ.
Мы рады видеть Вас на страницах Пассат-Клуб!
Здесь Вас ждет непрерывное общение, форум,
встречи клуба, скидки от партнеров клуба,
и просто теплое общение в кругу друзей.
Все это — Passat-Club!
|
 |
| |
|
| |
Инструкции
| |
Замечание: После снятия поддона картера требуется замена промежуточной пластины.
1 Компоненты системы смазки указаны на сопр. иллюстрациях.

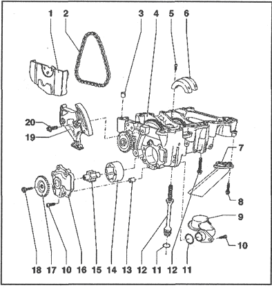
27.1а Компоненты системы смазки двигателя BLR, часть 1 из 3
1, 8, 10 Болт (15 Нм)
2 Щуп уровня масла
3 Направляющая щупа 2
4 Трубка направляющей
5 Промежуточная пластина*
6 Масляный насос в сборе с балансировочным валом, с перепускным клапаном (12 атм)
7 Болты (разной длины)* (15 Нм + 90°)
9 Поддон картера
11 Уплотнительное кольцо
12 Пробка* сливного отверстия (30 Нм), с уплотнительным кольцом
13 Звездочка
14 Болт (10 Нм)
15 Защитная крышка
16 Датчик уровня и температуры двигательного масла
17 Уплотнительное кольцо*
18 Болт (25 Нм)
19 Направляющая цепи
20 Цепь привода масляно насоса
21 Фланец
* Подлежит обязательной замене

27.1b Компоненты системы смазки двигателя BLR, часть 2 из 3
1 Направляющая цепи
2 Цепь привода масляного насоса
3, 13 Направляющие втулки
4 Масляный насос в сборе с балансировочным валом
5 Болт (3 Нм)
6 Крышка, предотвращающая вспенивание масла
7 Соединение возврата масла, с уплотнением
8 Болт (9 Нм)
9 Маслозаборник
10 Болт (8 Нм)
11 Уплотнительное кольцо*
12 Болты (разной длины)* (15 Нм + 90°)
14 Наружный ротор масляного насоса
15 Внутренний ротор масляного насоса
16 Крышка масляного насоса
17 Звездочка
18 Болт (5 Нм)
19 Натяжитель цепи
20 Болт (15 Нм)
* Подлежит обязательной замене

27.1с Компоненты системы смазки двигателя BLR, часть 3 из 3
1 Трубка вентиляции картера
2 Хомут
3 Кронштейн масляного насоса с перепускным клапаном (4 атм)
4 Прокладка *
5 Маслоохладитель
6 Болт (25 Нм)
7 Д/В давления масла (1.4 атм), 20 Нм
8, 18 Болт (15 Нм)
9 Уплотнительное кольцо*
10 Пробка
11 Корпус масляного фильтра
12 Фильтрующий элемент
13 Цилиндр
14 Поршень
15 Пружина
16 Уплотнительное кольцо
17 Резьбовая пробка
19 Отражательная пластина
20 Прокладка*
* Подлежит обязательной замене
2 Снимите защиту картера (см. Главу 11).
3 Спустите двигательное масло (см. Раздел 5 Главы 1).
4 Выверните болты крепления поддона картера к трансмиссии.
5 Разъедините 3-контактный разъем датчика давления и температуры двигательного масла.
6 Выверните болты крепления поддона картера и снимите его, при необходимости слегка обстучав молотком с пластиковым бойком.
7 При необходимости снимите масляный насос с балансировочным валом и промежуточную пластину (см. Раздел 28).
8 Очистите сопрягаемые поверхности от масла и смазки.
9 Если снимались, установите промежуточную пластину и масляный насос с балансировочным валом (см. Раздел 28).
10 Нанесите на сопрягаемые поверхности поддона герметик VW-D 176 404 А2 и немедленно установите поддон картера.
11 Затяните от руки в диагональной последовательности все болты крепления поддона к блоку цилиндров.
12 Затяните от руки болты крепления поддона картера к трансмиссии.
13 Еще немного подтяните болты крепления поддона к блоку цилиндров.
14 Затяните болты крепления поддона картера к трансмиссии с усилием 40 Нм, а затем - к блоку цилиндров, с усилием 15 Нм.
15 Дальнейшая установка производится в последовательности, обратной порядку демонтажа компонентов. Перед заправкой масла выждите 30 минут, пока застынет герметик |
|
|
 |
|
 |
| |
 |
|
|