Войти на сайт
запомнить меня
Энциклопедия
Автомобили
Фотогалерея
Ссылки
Инструкции
VW Passat B6 — ремонт и эксплуатация
Введение
Глава 0: Органы управления и приемы эксплуатации
Глава 1: Настройки и текущее обслуживание автомобиля
Глава 2 Двигатель
Глава 3 Системы охлаждения двигателя, отопления, вентиляции и кондиционирования воздуха
Глава 4 Системы питания и выпуска отработавших газов
Глава 5 Системы электрооборудования двигателя
Глава 6 Ручная коробка переключения передач и сцепление
Глава 7 Автоматическая трансмиссия и трансмиссия DSG
Глава 8 Приводные валы и ступицы
Глава 9 Тормозная система
Глава 10 Подвеска и рулевое управление
Глава 11 Кузов
Глава 12 Бортовое электрооборудование
Схемы электрооборудования
Использующиеся в данном руководстве аббревиатуры и сокращения
Техцентры
Статьи
Опросы
Голосование
Какой Passat Ваш
Passat B8
Passat B7
Passat B6
Passat CC
Passat B5.5
Passat B5
Результаты
Мы рады видеть Вас на страницах Пассат-Клуб!
Здесь Вас ждет непрерывное общение, форум,
встречи клуба, скидки от партнеров клуба,
и просто теплое общение в кругу друзей.
Все это — Passat-Club!
»
главная страница
\
энциклопедия
\
инструкции
\ VW Passat B6 — ремонт и эксплуатация
Инструкции
1 Сборки некоторых узлов блока цилиндров указаны на сопр. иллюстрациях.
29.1а Компоненты, установленные на блоке цилиндров
1 Датчик детонации 1
2 Болт (20 Нм)
3 Датчик детонации 2
4 Щуп ровня двигательного масла
5 Отражательная пластина
6 Прокладка*
7 Держатель масляного фильтра
8, 17 Болт (15 Нм)
9 Болт (10 Нм)
10 Датчик СКР
11,18 Уплотнительное кольцо*
12 Резиновая опора (3 Нм)
13 Кронштейн впускного трубопровода
14 Болт (25 Нм)
15 Болт (40 Нм)
16 Распределительный патрубок системы охлаждения двигателя с термостатом
19 Болт (45 Нм)
20 Кронштейн крепления вспомогательных агрегатов
* Подлежит обязательной замене
29.1b Компоненты крепления коленчатого вала
1 Болт* (65 Нм +90°)
2 Крышка подшипника
3 Болт'*(10 Нм +90°)
4 Ротор датчика СКР
5 Коленчатый вал
6 Упорные подшипники
7 Вкладыши подшипников коленчатого вала в блоке цилиндров
8 Звездочка привода масляного насоса
9 Вкладыши подшипников коленчатого вала со стороны крышек 2
* Подлежит обязательной замене
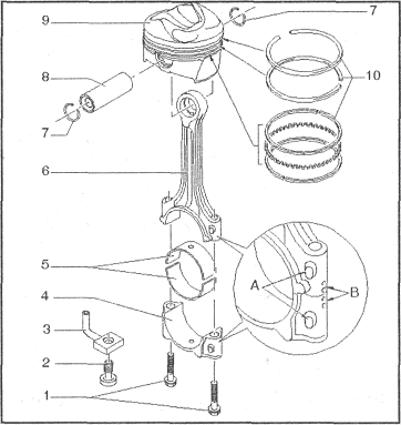
29.1с Шатунно-поршневая сборка
1 Болт* (30 Нм+90°), подлежит обязательной замене
2 Перепускной клапан (27 Нм), 1.3 ÷ 1.6 атм
3 Форсунка охлаждения поршня
4 Крышка шатунного подшипника
5 Вкладыши шатунного подшипника
6 Шатун
7 Стопорное кольцо
8 Поршневой палец
9 Поршень
10 Поршневые кольц
01.
О нас
02.
Новости
03.
Партнеры клуба
04.
Энциклопедия
05.
Клубная жизнь
06.
Спецпрограмма от Ингосстраха
07.
Форум
Вы попали на частный сайт посвященный автомобилям VW Passat. Этот ресурс не имеет отношения к концерну Volkswagen AG |
Разработка сайта
--
OrangeLabel.ru
|
Техподдержка сайта
--
MediaEnt.org