 |
Голосование |
| |
|
Мы рады видеть Вас на страницах Пассат-Клуб!
Здесь Вас ждет непрерывное общение, форум,
встречи клуба, скидки от партнеров клуба,
и просто теплое общение в кругу друзей.
Все это — Passat-Club!
|
 |
| |
|
| |
Инструкции
| |

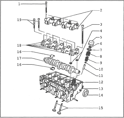
36.1 Компоненты установки головки цилиндров двигателя ВКС
1 Верхняя крышка ремня ГРМ
2 Ремень ГРМ
3 Болт* (10 Нм)
4, 33 Болт (25 Нм)
5 Болт (100 Нм)
6 Зубчатое колесо распределительного вала
7 Ступица с ротором датчика СМР
8 Задняя крышка ремня ГРМ
9, 19 Уплотнение
10 Датчик Холла
11 Болт крепления головки цилиндров
12 Трубка возврата топлива
13 Трубка подачи топлива
14 Трубка системы охлаждения
15 Крышка головки цилиндров
16 Клапан управления давлением в системе PCV
17 К соединительной трубке турбокомпрессора/воздухоочистителя
18 Крышка маслозаливной горловины
20, 25 Болт (10 Нм)
21 Прокладка крышки головки цилиндров
22 Болт (20 Нм)
23 Подъемная проушина
24 Насос-форсунка
26 Центральный разъем форсунки
27 От усилителя тормозов
28 Сдвоенный насос
29 Подающий шланг (от топливного фильтра)
30 Возвратный шланг (к топливному фильтру)
31 Прокладки*
32 Кронштейн
34 Головка цилиндров
35 Прокладка* головки цилиндров
36 Свеча накаливания (15 Нм)
37 Натяжной ролик
38 Болт (20 Нм +45°)
* Подлежит обязательной замене
Снятие
2 Снимите зубчатый ремень (см. Раздел 34).
3 Выверните три болта крепления зубчатого колеса распределительного вала (см. иллюстрацию 34.19) и снимите зубчатое колесо со ступицы.
.png)
34.19 Болты крепления зубчатого колеса распределительного вала
4 Удерживая ступицу зубчатого колеса от проворачивания, выверните болт ее крепления на два оборота (см. сопр. иллюстрацию).

38.4 Болт крепления ступицы
5 Снимите ступицу с распределительного вала при помощи специального съемника (см. сопр. иллюстрацию).

38.5 Снятие ступицы
6 Снимите крышку головки цилиндров (см. Раздел 36).
7 Пометьте оси коромысел маркером, чтобы не перепутать из местами при установке (см. сопр. иллюстрацию). Снимите оси, выворачивая сначала наружный крепеж.

38.7 Оси коромысел
8 Снимите сдвоенный насос (см. Главу 4).
9 Снимите крышки подшипников 5, 3 и 1, затем поочередно и по диагонали ослабьте крышки 2 и 4 (см. сопр. иллюстрацию). Пометьте крышки так, чтобы не перепутать их при установке.

38.9 Крышки подшипников распределительного вала
10 Снимите распределительный вал.
Установка
Замечание: Если заменяются толкатели, выждите 30 минут после сборке двигателя, прежде чем его запускать (толкатели должны за это время «усесться»). В противном случае клапаны могут удариться о поршни.
11 Установите коленчатый вал так, чтобы кулачки, соответствующие цилиндру №1, должны быть обращены вверх (см. сопр. иллюстрацию).

38.11 Установочное положение распределительного вала
12 Смажьте крышки подшипников свежим двигательным маслом.
13 Установите крышки№№ 2 и 4, затянув новые болты последовательно и по диагонали с усилием 8 Нм + 90°.
14 Установите крышки подшипников № 1, 3 и 5, затянув новые болты с усилием 8 Нм + 90°. Замечание: На сопрягаемые поверхности крышек 1 и 5 нанесите герметик AMV 174 004 01.
15 Установите сальник распределительного вала.
16 Установите оси коромысел и затяните поочередно и в диагональной последовательности их новыми болтами (сначала затягивайте внутренние болты) с усилием 20 Нм + 90°.
17 Установите на вал ступицу и затяните болт ее крепления с усилием 100 Нм.
18 Установите на ступицу зубчатое колесо распределительного вала и затяните болты крепления зубчатого колеса, расположив их по центру продолговатых отверстий.
19 Установите зубчатый ремень и сдвоенный насос |
|
|
 |
|
 |
| |
 |
|
 |