 |
Голосование |
| |
|
Мы рады видеть Вас на страницах Пассат-Клуб!
Здесь Вас ждет непрерывное общение, форум,
встречи клуба, скидки от партнеров клуба,
и просто теплое общение в кругу друзей.
Все это — Passat-Club!
|
 |
| |
|
| |
Инструкции
| |
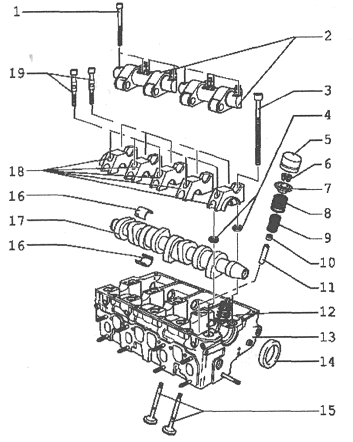
1 Компоненты ГРМ указаны на сопр. иллюстрации.

47.1 Компоненты ГРМ
1 Держатель электропроводки (10 Нм)
2 Болт (20 Нм)
3 Ось коромысел
4 Болт* (20 Нм + 90°)
5 Болт крепления головки цилиндров
6 Шайба
7 Сухари
8 Тарелка клапанной пружины
9 Клапанная пружина
10 Маслосъемный колпачок*
11 Направляющая клапана
12 Впускные пальцы коромысла
13 Выпускные пальцы коромысла
14 Сальники
15 Головка цилиндров
16 Впускной клапан
17 Выпускной клапан
18 Уплотнительное кольцо*
19, 22 Ось
20 Болт (10 Нм)
21 Резьбовая пробка * (10 Нм)
22 Вкладыш подшипника распределительного вала
23 Выпускной распределительный вал
24 Рама подшипников
* Подлежит обязательной замене
Снятие
2 Снимите верхнюю крышку двигателя (см. Раздел 43)
3 Снимите корпус воздухоочистителя вместе с датчиком MAF и соединительной трубкой.
4 Снимите ремень привода вспомогательных агрегатов (см. Раздел 44).
5 Снимите охладитель системы EGR и проходную заслонку (шланги охлаждения можно не отсоединять) и отложите их в одну сторону.
6 Снимите кронштейн охладителя системы EGR.
7 Снимите зубчатый ремень с распределительных валов.
8 Выверните болты крепления зубчатых колес распределительных валов (1 и 2 на иллюстрации 44.20) и снимите зубчатые колеса со ступиц.
.png)
44.20 Фиксация зубчатых колес распределительных валов
9 Ослабьте болт крепления ступицы (1 на сопр. иллюстрации) на два оборота. При этом удерживайте вал от проворачивания приспособлением Т10051.

47.9 Болт крепления ступицы зубчатого колеса
10 Спрессуйте ступицы с распределительных валов при помощи съемника.
11 Снимите крышку головки цилиндров.
12 Снимите сдвоенный насос (см. Главу 4).
13 Отдайте контргайки регулировочного винта (А на сопр. иллюстрации) и выверните винт, чтобы соответствующее коромысло находилось напротив пружины насос-форсунки. Равномерно ослабьте болты в последовательности снаружи внутрь (5-1) и снимите ось коромысел.

47.13 Снятие оси коромысел
14 Выверните верхние крепежные болты задней крышки зубчатого ремня.
15 Выверните верхний болт (см. сопр. иллюстрацию) крепления кронштейна проходной заслонки и охладителя системы EGR.

47.15 Болт крепления кронштейна
16 Снимите жгут электропроводки форсунок и свечей накаливания.
17 Равномерно ослабьте оставшиеся 15 болтов крепления опорной рамы в последовательности снаружи внутрь.
18 Выверните болты (15 мм) съемной рамы (см. сопр. иллюстрацию) до упора.

47.18 Съемная рама
19 Расположите съемную раму на опорной раме и затяните болты крепления (10 мм) с усилием 10 Нм.
20 Вверните болты (15 мм) от руки, чтобы они вошли в контакт с болтами головки цилиндров.
21 Равномерно вверните болты (15мм) в последовательности, выбитой на их головках (1-4), чтобы опорная рама отделилась от головки цилиндров.
22 Снимите раму подшипников и распределительные валы.
Установка
23 Установите распределительные валы. При этом кулачки, соответствующие клапанам поршня №1, должны быть обращены вверх.
24 Нанесите на сопрягаемые поверхности рамы подшипников и головки цилиндров герметик D 176501 А1.
25 Смажьте свежим двигательным маслом рабочие поверхности вкладышей подшипников распределительных валов.
26 Установите раму подшипников и ось коромысел. Равномерно затяните болты крепления в последовательности, указанной на сопр. иллюстрации, с усилием 20 Нм.

47.26 Последовательность затягивания болтов крепления рамы подшипников
27 Затяните болты крепления оси коромысел в последовательности с 1 по 5 (см. иллюстрацию 47.13) на угол 90°.
28 Установите сальники распределительных валов.
29 Установите ступицы зубчатых колес и затяните болты их крепления с усилием 100 Нм.
30 Установите зубчатые колеса на ступицы. Зубчатый сегмент (см. сопр. иллюстрацию) зубчатого колеса должен быть обращен вверх.

47.30 Положение зубчатого сегмента
31 Затяните болты крепления зубчатых колес от руки, чтобы не было свободного хода.
32 Зафиксируйте ступицы при помощи приспособлений № 3359 (см. иллюстрацию 47.30).
33 Установите зубчатый ремень и отрегулируйте фазы ГРМ (см. Раздел 44).
34 Установите сдвоенный насос, крышку головки цилиндров и ремень привода вспомогательных агрегатов. |
|
|
 |
|
 |
| |
 |
|
|