Passat ClubО насНовостиПартнеры клубаЭнциклопедияКлубная жизньФотогалереяФорум  
 

Главная Карта сайта Контакты

 
 
 
 
 
 
 

Войти на сайт


 

Энциклопедия

Голосование

 
Какой Passat Ваш
Passat B8
Passat B7
Passat B6
Passat CC
Passat B5.5
Passat B5
 
Результаты





















Мы рады видеть Вас на страницах Пассат-Клуб!
Здесь Вас ждет непрерывное общение, форум,
встречи клуба, скидки от партнеров клуба,
и просто теплое общение в кругу друзей.
Все это — Passat-Club!





   VAG-SERVICE

   
 

Инструкции


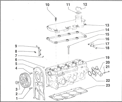
  Процедура снятия и установки головки цилиндров двигателя BSE аналогична подобной процедуре, приведенной для двигателя BLR (см. Раздел 25). Здесь приводится только пояснительные иллюстрации (8.1 и 8.2), а также некоторые замечания по установке:

8.1 Компоненты крепления головки цилиндров двигателя BSE
1 Болт (23 Нм), при затягивании нанесите на резьбу средство для фиксации
2 Зубчатое колесо распределительного вала
3 Болт (100 Нм)
4 Болт (10 Нм), при затягивании нанесите на резьбу средство для фиксации
5 Задняя крышка зубчатого ремня
6 Шпонка
7, 18, 22 Уплотнительное кольцо*
8, 16, 21 Болт (10 Нм)
9 Штуцер системы вентиляции
10 Болт** крепления крышки головки цилиндров с проставочной втулкой (9 Нм)
11 Прокладка**крышки 12
12 Крышка маслозаливной горловины
13 Крышка головки цилиндров
14 Прокладка** крышки головки цилиндров (крепится во втулках болтов 10)
15 Болт крепления головки цилиндров* (90 Нм + 90° + 90°)
17 Да тчик Холла
19 Головка цилиндров
20 Патрубок системы охлаждения с термостатом
23 Прокладка * головки цилиндров
* После снятия подлежит замене
** Подлежит замене при наличии повреждений или утечек масла


8.2 Последовательность затягивания болтов крепления головки цилиндров

Минимальная высота головки цилиндров составляет 132.9 мм, а ее деформация не должна превышать 0.1 мм.

После замены головки цилиндров и/или ее прокладки следует заменить всю ОЖ (см. Главу 3).
При установке прокладки головки цилиндров номер на прокладке должен указывать в сторону головки цилиндров и должен читаться со стороны впускных клапанов.
 
 
   

МОЙВИЛЛЬ


01.
02.
03.
04.
05.
06.
07.

 
 

Passat-Club Вы попали на частный сайт посвященный автомобилям VW Passat. Этот ресурс не имеет отношения к концерну Volkswagen AG | Разработка сайта -- OrangeLabel.ru | Техподдержка сайта -- MediaEnt.org